河南省电工电子示范性实训基地
供配电综合自动化实训中心设备功能
10KV真空断路器开关柜
1.设备参数:KYN800-10
2.功能:
用于额定电压为3~10kV,额定电流为1250~3150A,单母线接线的发电厂、变电所和配电所中,控制线路的通断。
3.主要完成项目:
(1)高压开关柜运行与维护
(2)倒闸操作实际操作
4.操作流程:
(1)高压开关柜运行与维护流程

巡视开关柜设备状态 分析判断设备工况(正常、异常或故障)
按照规程规定对应进行处理。
(2)倒闸操作实际操作流程

检查核对开关柜设备状态 依据操作票操作项目顺序依次操作
操作完毕全面检查。
5.安全注意事项:
(1)高压开关柜运行巡视时,要着长袖、长裤工作服,戴安全帽,要与开关柜保持0.7米的安全距离,手不得随意触碰带电设备,避免触电。
(2)倒闸操作实际操作时,不要过度旋拧开关旋钮,以免损坏。
(3)真空断路器在断开位置时,才能用摇把将其摇至试验位置或检修位置。
目 录
一、KYN28-12型高压真空断路器实训... 2
1、实训目的:... 2
2、高压开关柜介绍及操作规则... 2
3、操作说明... 3
二、电容补偿柜实训... 4
1、实训目的... 4
2、电容补偿柜作用... 4
3、JKL5C智能无功功率补偿控制器介绍及其工作原理... 4
4、电容柜工作原理... 8
5、 电容补偿技术... 9
6、电容补偿柜操作说明... 9
一、KYN28-12型高压真空断路器实训
1、实训目的:
熟悉并掌握高压进线柜一二次控制原理、操作机构原理;
掌握手动和遥控合分断路器、断路器拆装、倒闸操作等技能。
2、高压开关柜介绍及操作规则
本高压开关柜柜体采用KYN28-12型中置柜,断路器采用VS1—12/630.额定电流为630A,额定开断电流为20KA,4s稳定电流为20KA,额定动稳定电流为50KA.柜体与断路器及电磁锁可构成电气互锁,保障操作员的安全。
电气五防为:
1、防止带负荷分、合隔离开关。(断路器、负荷开关、接触器合闸状态不能操作隔离开关。)
2、防止误分、误合断路器、负荷开关、接触器。(只有操作指令与操作设备对应才能对被操作设备操作)
3、防止接地开关处于闭合位置时关合断路器、负荷开关。(只有当接地开关处于分闸状态,才能合隔离开关或手车才能进至工作位置,才能操作断路器、分荷开关闭合)
4、防止在带电时误合接地开关。(只有在断路器分闸状态,才能操作隔离开关或手车才能从工作位置退至试验位置,才能合上接地开关)
5、防止误入带电室。(只有隔室不带电时,才能开门进入隔室)电气二次防误闭锁与微机防误闭锁共同运行的必要性
开关柜应具有五防的功能:开关柜真正完全机械五防联锁。即防止误分误合断路器;防止带负荷推入或拉出断路器小车隔离插头;防止带电合接地开关;防止接地开关在合闸位置送电;防止误入带电间隔。具体如下:
a 断路器在合闸位置时,断路器手车拉不出。
b 断路器在合闸状态下,断路器手车不能从实验位置推入。
c 断路器手车在运行位置时,接地开关不能合闸。
d 接地开关在合闸或分闸未到位时,断路器手车不能从实验位置推入。
e 断路器手车一次隔离插头不到位,断路器不能合闸。
f 断路器手车在移动过程中,断路器不能合闸。
g 断路器手车与控制回路插头应闭锁。当断路器手车处于工作控制回路的插头不能拔出。
h 接地开关处于合闸状态时,断路器手车不能从试验位置推进工作位置。
i 接地开关处于合闸状态下,电缆室门才能被打开;带电时,电缆室门不准打开。
j 带电显示与接地开关闭锁。
k 断路器具有防跳功能,在一次指令下只能合闸一次。
3、操作说明
开关柜分为试验位置与工作位置,对断路器进行操作时应该检查断路器状态:合位,分位,试验位置,工作位置及断路器是否储能。柜体面板有模拟状态显示器,可清晰看出断路器各种状态。
1、 当断路器在试验位置时,可对断路器分合进行试验,此时主电路并没有接通。首先对断路器控制回路通电,必须按照图纸要求正确加电。若为就地操作,首先将转换开关ZK旋转至就地位置。电后将断路器储能按钮HK旋转至合位,此时断路器储能回路接通,储能电机动作,断路器开始储能.大约三秒后储能完毕,断路器本体上的储能指示为已储能(若断路器已储能则无需此操作,一般将断路器储能按钮旋转至合位)。此时按试验位合闸按钮HA断路器就转为合位。然后按试验位分闸按钮FA,断路器转至分位。完成对断路器试验。在试验位置时控制开关KK不能使断路器合闸。
2、 将断路器置到工作位置。将断路器推至工作位置前必须确保断路器在分位,储能电机已释能。若为就地操作,首先将转换开关ZK旋转至就地位置。然后可通过控制开关KK对断路器进行分合操作。此时试验位按钮不能使断路器合闸。
3、 若需要断路器进行远程操作可将转换开关ZK旋转至远方位置。可对断路器进行远程操作。此时面板按钮不能使断路器动作。但储能按钮仍可控制断路器的储能,远程操作时一般将断路器储能按钮置于接通位置。
4、 高压进线柜另有温度控制功能,可使断路器处于温湿度合适的状态。温控器一般将其置于自动控制的位置。温控器上有手动自动转换按钮,可实现对温度的手动及自动加热。
二、电容补偿柜实训
1、实训目的
熟悉并掌握主电气原理、手\自动无功功率补偿原理;
了解电容器在电力线路中的重要性,电容器的结构、特性及耐压等级;
熟悉电力电容补偿柜的电路连接方法;
了解电力电容器自动补偿装置的工作原理。
2、电容补偿柜作用
(1)降低配电线路无功电能的输送,所以可以减少配电线路上的电能损耗;
(2)挖掘设备的潜力,提高设备的出力,充分提高设备的利用率(比如 变压器);
(3)补偿感性无功,提高功率因数,节约电能,减少电费开支;
(4)提高电压,改善电能质量。
3、JKL5C智能无功功率补偿控制器介绍及其工作原理
JKL5C智能无功功率自动补偿控制器是低压配电系统补偿无功功率专用控制器。有4、6、8、10路四个规格,可与各型号低压静电电容屏配套使用。本机博采国内外先进技术,具有体积小、重量轻、外型合理美观,内外壳均采用高强度阻燃塑料,功能完善、抗干扰能力强、运行稳定可靠、补偿精确等突出优点。
取样物理量为无功电流,满量程动态跟踪补偿,无投功振荡及补偿保区。采用单片机控制技术;可自动查找切门限,广泛适用不同的工作现场。
(1) 使用条件
①、海拔高度不超过2000m;
②、环境温度不低于-10℃~不高于+40℃。
③、空气相对湿度不超过85%(25℃)。
④、周围环境,无易燃易爆的介质存在,无导电尘埃及腐蚀性气体存在。
⑤、电网电压波动范围不大于本机额定电压±10%。
(2)主要特征
①、 LED数字显示电网功率因数,显示范围:滞后0.00~0.99,超前0.00~0.99。
②、通过面板键盘三个功能设定键能完成数字显示COSφ设定值、延时设定值、过压设定值的设定。简明的人机对话,设定参数断电记忆使人操作极为方便。
③、当电网电压超过本机过压设定值时,数字COSφ表自动转换显示为电网当前的电压值,同时自动快速逐步切除已投入的电容组,并有过电压控制接点输出。
④、判别取样电流极性,并自动转换(即自动识别极性),给安装调试使用,带来极大的方便。
⑤、当取样信号线开路或无输入取样电流信号时,本机数字COSφ自动显示。
⑥、输出动作程序为先接通的先分断,先分断的先接通的循环工作方式及适应于就地补偿装置动作程序要求的1、2、2、2、2、1编码工作方式。
⑦、具有手动/自动转换,置自动时,本机自动跟踪电网功率因数及无功电流,控制电容器自动投入或切除,置手动时在本机上能实现手投或手切。
⑧、有超前、滞后、过压LED指示灯指示。LED提示编程输入。
⑨、抗干扰能力强,能抵御从电网直接输入的幅值达2000V的干扰脉冲,高于国家专业标准。
(3)面板说明
①、led显示器: 显示功率因数、预置参数。
②、运行指示:显示电容器工作状态.
③、投入状态指示:灯亮,将执行电容器器组投入.
④、切除状态指示:灯亮,将执行电容器组切除.
⑤、过压状态指示:灯亮,将执行电容器组过压切除.
⑥、自动运行指示:灯亮时为自动运行状态.
⑦、 cosø预置指示:灯亮时led显示器显示cosø预置.
⑧、延时预置指示:灯亮时led显示投切延时预置.
⑨、过压预置指示:灯亮时led显示器显示过压门限预置.
⑩、运行指示:灯亮时为手动运行状态.
11、功能选择键:循环选择6-10各项功能
12、递增键:电容器组手动投入,参数修改。
13.递减键:电容器组手动投入,参数修改。
操作要点:按住按键超过一秒钟后再释放.
(4)主要规格与参数
①规格:
型号 |
输出点数 |
可控制电容组数 |
JKL5A/B/C |
4 |
4 |
②补偿器整定值及可调节范围:
功率因数COSφ值0.97 |
0.70~0.98连续数字式设定 |
过电压保护值430V |
400~440V分五档连续数字式设定 |
每路投切延时30S |
1-90S连续数字式设定 |
保证自动投切时取样互感器电流值:下限值≥150mA,上限值≤5A |
③基本参数:
额定工作电压 |
UBC相,交流50Hz380V±10% |
电流取样A相IA |
交流0~5A |
输出触容点容量 |
交流220V×5A或380V×3A |
介电强度 |
交流3000V |
工作制 |
连续工作制 |
(5)接线、检验调试及应用
检验:
利用移相器对控制器进行检验:
按接线图示接通电源和取样电流200ma且5a),led显示器显示1.00延时3s后,显示功率因数.
将取样信号调整为滞后状态,使投入状态指示灯亮,超过设定的延时时间,运行指示将显示依次自动投入.
将取样信号调整为超前状态,使切除状态指示灯亮,超过设定的延时时间,运行指示将显示依次自动切除.
操作功能选择键,使手动运行指示灯亮,再分别操作递增键或递减键,运行指示将依次显示投入或切除.
调试:
进网调试时应具备必要的负荷,控制器取样电流,如200ma时,led显示器显示000,控制器处于等待状态,(200ma电流界线在投切门限查出后自行解除)按下面接线图示接通电源和电流信号,led显示器显示1.00,延时3s,led显示器显示功率因数.
控制器手动功能应用:
选择手动运行方式,强行投入电容组到超前状态,然后返回自动运行状态,控制器应自动切除补偿电容器组;或在手动状态下将正常补偿的电容器强行切除,再恢复自动运行状态,控制器应再次进行补偿.
当电网电压超过过压预置时,过压切除指示灯亮,led显示器显示过压值,并自动切除已补偿的电容器组.
接线:
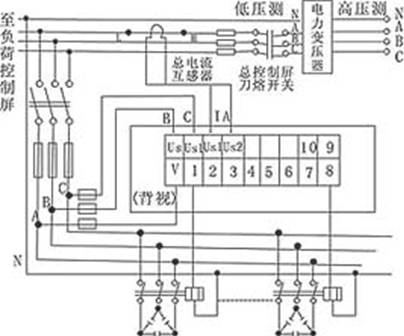
控制器电压U1、U2接B相、C相。(见下图1-4)取样电流端Ⅰ1 Ⅰ2必须取自总负荷(总柜)A相电流互感器次级,不得取自电容屏。COM为控制器输出端1~10组内部继电器的公共源,交流接触器J线圈电压220V。

图1

图2

图3

图4
4、电容柜工作原理
用电设备除电阻性负载外,大部分用电设备均属感性用电负载(如日光灯、变压器、马达等用电设备)这些感应负载,使供电电源电压相位发生改变(即电流滞后于电压),因此电压波动大,无功功率增大,浪费大量电能。当功率因数过低时,以致供电电源输出电流过大而出现超负载现象。电容补偿柜内的电脑电容控制系统可解决以上弊端,它可根据用电负荷的变化,而自动设置电容组数的投入,进行电流补偿,从而减低大量无功电流,使线路电能损耗降到最低程度,提供一个高素质的电力源。
5、 电容补偿技术
在工业生产中广泛使用的交流异步电动机,电焊机、电磁铁工频加热器导用点设备都是感性负载。这些感性负载在进行能量转换过程中,使加在其上的电压超前电流一个角度。这个角度的余弦,叫做功率因数,这个电流(既有电阻又有电感的线圈中流过的电流)可分解为与电压相同相位的有功分量和落后于电压 90 度的无功分量。这个无功分量叫做电感无功电流。与电感无功电流相应的功率叫做电感无功功率。当功率因数很低时,也就是无功功率很大时会有以下危害:
• 增长线路电流使线路损耗增大,浪费电能。
• 因线路电流增大,可使电压降低影响设备使用。
• 对变压器而言,无功功率越大,则供电局所收的每度电电费越贵,当功率因数低于 0.7 时,供电局可拒绝供电。
• 对发电机而言,以 310KW 发电机为例。
310KW 发电机的额定功率为 280KW ,额定电流为 530A ,当负载功率因数 0.6 时功率 = 380 x 530 x 1.732 x 0.6 = 210KW
从上可看出,在负载为 530A 时,机组的柴油机部分很轻松,而电球以不堪重负,如负荷再增加则需再开一台发电机。加接入电容补偿柜,让功率因数达到 0.96 ,同样 210KW 的负荷。
电流 =210000/ ( 380x1.732x0.96 ) =332A
补偿后电流降低了近 200A ,柴油机和电球部分都相当轻松,再增加部分负荷也能承受,不需再加开一台发电机,可节约大量柴油。也让其他机组充分休息。从以上可看出,电容补偿的经济效益可观,是低压配电系统中不可缺少的重要成员。
6、电容补偿柜操作说明
(1)、按照图纸给控制回路加电。调试时将主电路断开,再通过旋转控制开关1sa以试验控制回路的投切。(切记不可随意将大电容投入主电路)
(2)、试验位置。首先将SA旋转至试验位置。然后将控制开关置于自动运行位置。通过调节负载的投入即可观察到功率因数的改变。无功补偿控制器可以显示此时的功率因数,并可自动投入及切除电容。可通过后面控制进行投切试验,若加入的负载为电机(感性负载)则功率因数则会显示电流相位超前电压相位。此时无功补偿控制器KZQ会自动将电容投入,使相位滞后,如果相位仍未达到指定标准(整定值)控制器仍会继续投入电容,直至达到整定值。如果投入容性负载,控制器就回自动切除电容。
(3)、工作位置。将SA旋转至工作位置。然后将控制开关置于自动运行位置。
(4)、无功补偿控制器的操作。可参考无功补偿控制器说明。